devices.esphome.io
Shelly Uni
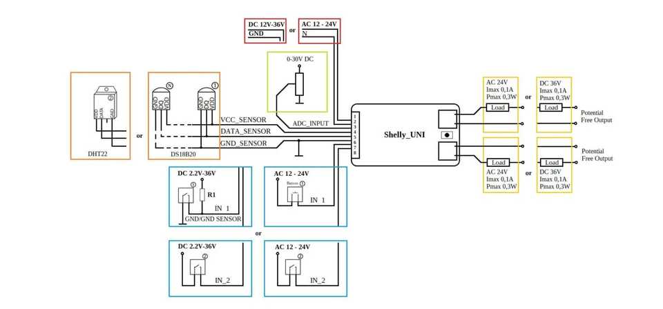
Shelly Uni
Device Type: sensorElectrical Standard: euBoard: esp8266Difficulty: Plug-n-flash, 2/5
Notes
Shelly UNI is the smallest universal module with two available digital inputs and potential-free outputs, providing endless functionalities.
- 2 digital inputs
- 2 potential-free outputs
- ADC can measure any voltage from 0 to 30 VDC
- supports DS18B20 temperature sensors or a DHT22 humidity and temperature sensor, ...
GPIO Pinout
| Pin | GPIO | Function | Wire |
|---|---|---|---|
| GPIO00 | Red LED | ||
| 1 | VAC, VDC+ | red | |
| 2 | VAC, VDC- | black | |
| 3 | GPIO17 | ADC Input | white |
| 4 | 3.3V | yellow | |
| 5 | GPIO05 | Sensor | blue |
| 6 | GND | green | |
| 7 | GPIO12 | Input 1 | orange |
| 8 | GPIO13 | Input 2 | brown |
| GPIO15 | Output 1 | ||
| GPIO04 | Output 2 | ||
| GPIO14 | ADC Range |
ADC range Selector
ADC Input (GPIO17) have two ranges (0 - 15 or 0 - 30V), selectable by GPIO14. If you configure GPIO14 as switch and turn it on you get 30V input range. Tested by Protoncek.
Device return pure ADC readings, so need to multiply to get actual voltage. Linear approximation looks more or less acceptable. Possible multiply factors: 14.64 on 15V range, 30.64 on 30V range.
Basic Configuration
esphome: name: Shelly Uni
esp8266: board: esp_wroom_02 restore_from_flash: true
logger: esp8266_store_log_strings_in_flash: False
logger: level: INFO
wifi: ssid: !secret wifi_ssid password: !secret wifi_password
api: encryption: key: !secret esp_api_key
ota: password: !secret ota_secret
external_components: - source: github://nrandell/dallasng
dallasng: - pin: number: GPIO05 mode: input: True pullup: True update_interval: '7s'
sensor: - platform: dallasng address: 0xaf00000001b25428 name: "Temperature" filters: - filter_out: 85.0
- platform: wifi_signal name: "RSSI" id: sensor_rssi update_interval: 90s entity_category: "diagnostic"
- platform: uptime name: "Uptime" id: sensor_uptime update_interval: 300s entity_category: "diagnostic"
- platform: adc pin: GPIO17 name: Voltage id: sensor_voltage accuracy_decimals: 1 update_interval: 9s filters: - lambda: if (id(adc_range).state) return x*30.64; else return x*14.64;
button: - platform: restart name: "Restart" id: button_restart
switch: - platform: output name: "Output 1" output: out_1 - platform: output name: "Output 2" output: out_2 - platform: gpio id: adc_range name: ADC Range pin: GPIO14 restore_mode: RESTORE_DEFAULT_ON
output: - platform: gpio id: out_1 pin: number: GPIO15 inverted: False - platform: gpio id: out_2 pin: number: GPIO04 inverted: False
binary_sensor: - platform: status name: "Status" id: sensor_status
- platform: template name: "API connected" id: sensor_api_connected internal: True entity_category: 'diagnostic' device_class: 'connectivity' lambda: return global_api_server->is_connected(); on_press: - light.turn_on: led_status on_release: - light.turn_off: led_status
- platform: gpio name: "Input 1" pin: number: GPIO12 mode: INPUT_PULLUP inverted: False - platform: gpio name: "Input 2" pin: number: GPIO13 mode: INPUT_PULLUP inverted: False
light: - platform: status_led name: "LED" id: led_status pin: number: GPIO00 inverted: True internal: True restore_mode: ALWAYS_OFF